Le Local Audiovisuel Xarxa remplace le satellite par des réseaux IP dans la distribution et la contribution
La entidad pública de producción audiovisual de la Diputación de Barcelona sustituye con ayuda de la tecnología de AEQ la difusión satelital unidireccional por un servicio bidireccional a más de 125 estaciones organizadas de forma flexible en base a cabecera nacional, cabeceras regionales estables y cabeceras ocasionales con contribuciones multinivel.
Xarxa Audiovisual Local (XAL), entidad pública de producción audiovisual de la Diputación de Barcelona, que genera contenidos de interés local está sustituyendo su sistema de difusión satelital unidireccional por un servicio bidireccional a más de 125 estaciones organizadas de forma flexible en base a cabecera nacional, cabeceras regionales estables y cabeceras ocasionales con contribuciones multinivel.
Con cabecera en Barcelona y más de 125 emisoras asociadas, la Xarxa proporciona contenidos para combinar con las producciones locales.
La Xarxa ha venido distribuyendo la señal común por medio de enlace satelital. En 2015 se propuso migrar a una red IP, que XAL contrató a Telefónica en un proyecto en el que QAE ha aportado audiocodificadores y software de control.
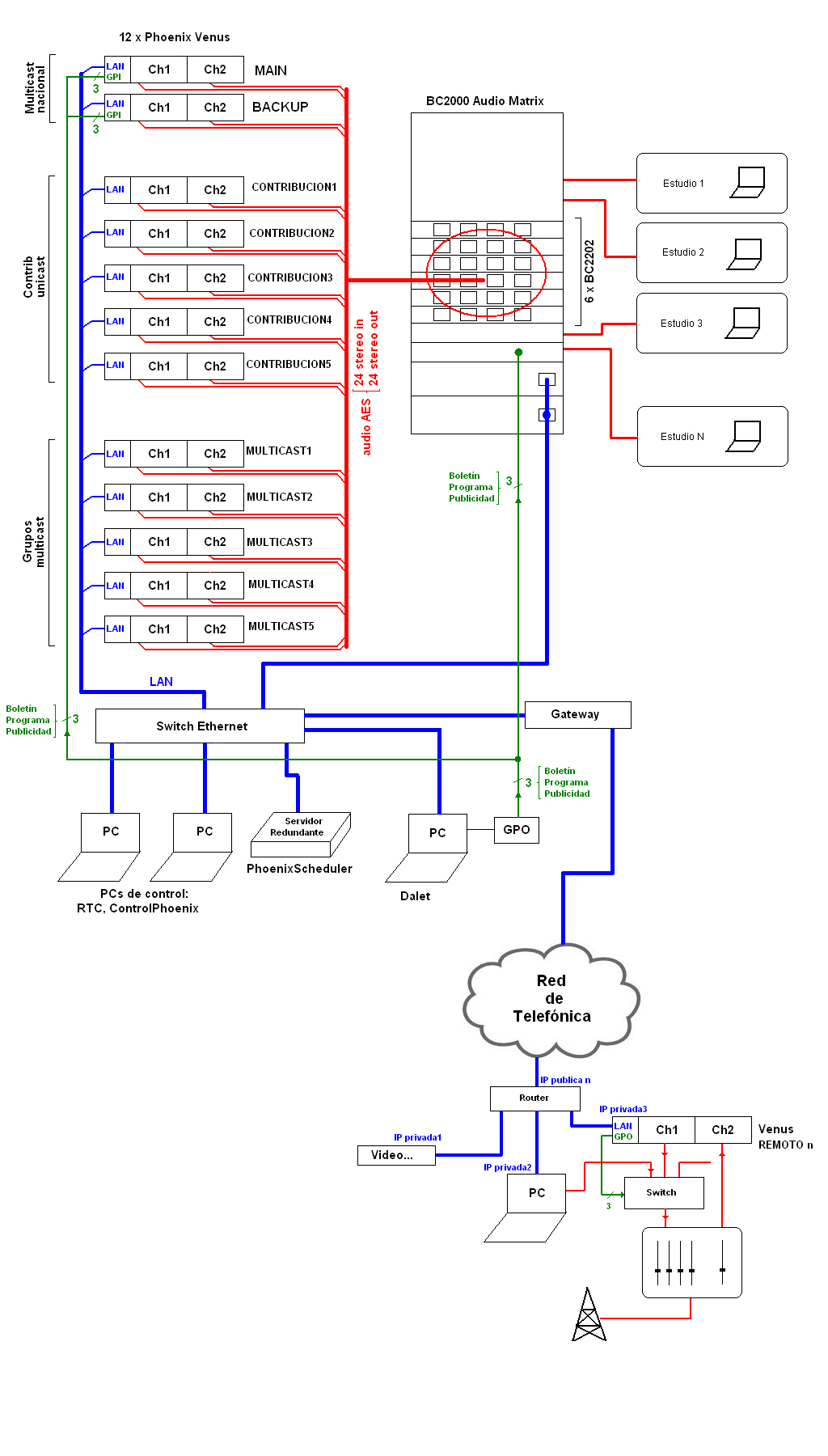
AEQ ha suministrado casi ciento cincuenta audiocodec Phoenix Venus y se han desarrollado aplicaciones para controlar y monitorizar todos los audiocodec desde cualquier PC conectado a Internet; programar conexiones y desconexiones; integrar el control con el de la matriz de audio existente; activar grupos de difusión regionales o locales; y gestionar centralizadamente conexiones punto a punto de contribución.
Según Xavier Cabestany, Cap del Servei d’Infraestructures de la Xarxa Audiovisual Local, el objetivo era la sustitución de “enlaces satélitales por conexiones IP terrestres usando audiocodecs IP Phoenix Venus, a través de grupos multicast a los que están suscritas todas las emisoras locales. Los audiocodecs Main y Backup mandan el audio a IPs de multicast, que lo difunden a equipos remotos suscritos.
La Xarxa ha instalado un audiocodec Phoenix Venus en cada estación local. El canal 1 recibe el audio multicast, con codificación OPUS, obteniendose un canal estéreo 20Hz-20KHz de muy bajo retardo.
“El sistema de automatización de la emisión existente genera GPOs para los GPI de los VENUS de multicast (MAIN y BACKUP), que envia a los audiocodec elegidos, transportando ordenes de conmutación remota de la fuente de audio o control de consolas. El servidor de control continuamente monitoriza el estado de MAIN y BACKUP y si falla el que está transmitiendo, rehace la conexión al otro. El audio de entrada se distribuye a ambos desde la matriz”, destaca Cabestany.
Grupos multicast regionales y locales
La Xarxa cuenta con grupos de multicast reducidos, de duración limitada y otros cinco audiocodificadores dobles Venus programados para grupos de Multicast.
Hay también grupos con menos receptores, en los que la cabecera es una emisora local que comparte su programa.
“En ambos casos se controlan mediante un software planificador que crea grupos, define los tramos horarios y controla automáticamente las llamadas de cada participante: si un equipo se cambia del grupo principal a un grupo regional o local, al terminar, éste se desactiva y lo devuelve automáticamente a su estado recibiendo el grupo principal”, señala Cabestany.
Contribución remota
El canal 2 de los Venus locales hace contribución hacia la central. Para ello, en la cabecera hay cinco Venus de contribuición, con dos canales cada uno, hasta diez contribuciones simultáneas desde distintas emisoras asociadas. Estos diez canales bidireccionales y estéreo, se conectan a la matriz y están conectados a los los estudios para contribuir a programa o dar coordinación. Las llamadas se establecen manualmente desde cabecera a través de una agenda usando SmartRTP para establecer la llamada.
Arquitectura hardware
Existe un conjunto de doce codecs venus, de doble canal estéreo y bidireccional, en las oficinas centrales con Main y Backup (emiten el programa principal); Multicast 1..5 (emiten programas alternativos a grupos de sedes remotas); y Contribución 1..5 (permite recibir conexiones punto a punto desde cualquier sede para realizar programas desde cabecera). El canal de retorno (unicast) se usa como feedback (N-1) o coordinación a cada estación local que contribuye.
Todos los codec de la instalación (tanto los de cabecera como los de las sedes remotas) están en la misma red lógica IP (en azul en el esquema). El servicio de control de codecs llega a todos y a la matriz de conmutación de audio AEQ BC2000D, para ejecutar salvos. Todas las conexiones de audio de la central son digitales, de tipo AES/EBU (en rojo en el esquema).
En los PC de gestión se instala la aplicación ControlPhoenix. En el servidor, además de ésta, se instala el servicio de control. En estudios se ha instalado la aplicación de control de contribuciones, XAL Control.
Los GPO del sistema de automatización (desconexiones, boletines y programas) se conectan a la matriz BC2000D, y a los audiocodec multicast (MAIN y BACKUP) (en verde, en el esquema).
Desarrollo del proyecto
Este proyecto, como destaca Xavier Cabestany, ha sido desarrollado “en coordinación entre la Xarxa, Telefónica, y AEQ. Las aplicaciones se desarrollaron a la medida, se depuraron en una maqueta montada en AEQ y se portaron al servidor de la Xarxa. Telefónica desplegó y configuró la infraestructura de red. Facilitó a AEQ un Acceso Remoto de Usuario (ARU) para conectarse desde Madrid, configurar, instalar , verificar… Una vez instalado el servidor definitivo en Barcelona, se van desplegando y poniendo en servicio los equipos Venus en sedes remotas”.
Cabestany subraya que “en febrero de 2017, más de 85 emisoras están ya conectadas. El ahorro en costes de explotación sobre la anterior infraestructura de satélite es considerable, además de mayor flexibilidad, muy bajo retardo y enlaces bidireccionales. Ha habido que hacer frente retos de distribución del tráfico (se ha optado por IP multicast), gestión del ancho de banda, control centralizado de todos los equipos y herramientas de gestión, adaptación del software a las necesidades específicas, documentación y configuración, formación…”
“Los audiocodificadores Venus proporcionan una señal de audio limpia, sin cortes y con una calidad prácticamente transparente usando el algoritmo OPUS. El software está siendo usado a diario y, junto con la integración con la matriz BC 2000D, nos permite gran flexibilidad para realizar y emitir programas con las emisoras asociadas”, concluye el director de infraestructuras de la Xarxa.
Avez-vous aimé cet article ?
Abonnez-vous à notre BULLETIN et vous ne manquerez de rien.


















